PLC控制系统设计
PLC控制柜及其控制系统设计的基本原则
最大限度地满足控制要求(适用) 充分发挥PLC功能,最大 限度地满足被控对象的控制要求,是设计中最重要的一条原则。设计 人员要深入现场进行调查研究,收集资料。同时要注意和现场工程管 理和技术人员及操作人员紧密配合,弄清控制要求,共同拟定电气控 制方案,协商解决重点问题和疑难问题。
保证系统的安全可靠(耐用) 保证PLC控制系统能够长期安 全、可靠、稳定运行,是设计控制系统的重要原则。
力求简单、经济、使用与维修方便(好用) 在满足控制要 求的前提下,一方面要注意不断地扩大工程的效益,另一方面也要注 意不断地降低工程的成本。不宜盲目追求自动化和高指标。
适应发展的需要 考虑到生产的发展和工艺的改进,在选择控制系 统设备时,设备能力应适当留有裕量。如在选择PLC容量时,应适当留 有余量。
PLC控制柜及其控制系统设计的一般步骤 最大限度地满足控制要求(适用) 充分发挥PLC功能,最大 限度地满足被控对象的控制要求,是设计中最重要的一条原则。设计 人员要深入现场进行调查研究,收集资料。同时要注意和现场工程管 理和技术人员及操作人员紧密配合,弄清控制要求,共同拟定电气控 制方案,协商解决重点问题和疑难问题。
保证系统的安全可靠(耐用) 保证PLC控制系统能够长期安 全、可靠、稳定运行,是设计控制系统的重要原则。
力求简单、经济、使用与维修方便(好用) 在满足控制要 求的前提下,一方面要注意不断地扩大工程的效益,另一方面也要注 意不断地降低工程的成本。不宜盲目追求自动化和高指标。
适应发展的需要 考虑到生产的发展和工艺的改进,在选择控制系 统设备时,设备能力应适当留有裕量。如在选择PLC容量时,应适当留 有余量。
(1)根据生产的工艺过程分析控制要求; 如需要完成的动作(动作顺序、动作条件、必需的保护和联锁 等),操作方式(手动、自动、连续、单周期、单步)等;
(2)根据控制要求确定所需要的用户输入/输出设备,并 据此确定PLC的I/O点数; 根据系统的控制要求,确定系统所需的全部输入设备(如:按钮、 位置开关、转换开关及各种传感器等)和输出设备(如:接触器、电 磁阀、信号指示灯及其它执行器等),从而确定与PLC有关的输入/输 出设备,以确定PLC的I/O点数。
(3)选择PLC 包括PLC的机型、容量、I/O模块、电源的选择。
(4)分配PLC的I/O点数,设计I/O连接图; 画出PLC的I/O点与输入/输出设备的连接图或对应关系表。可结合第2 步进行。
(5)进行PLC的程序设计,同时可进行控制柜的设计和现 场施工;
程序设计:1)控制程序;2)初始化程序;3)检测、故障诊断 和显示等程序;4)保护和联锁程序。
模拟调试:根据产生现场信号的方式不同,模拟调试有硬件模拟 法和软件模拟法两种形式。
硬件实施: 设计控制柜和操作台等部分的电器布置图及安装接线图;
设计系统各部分之间的电气互连图;
根据施工图纸进行现场接线,并进行详细检查。 由于程序设计与硬件实施可同时进行,因此PLC控制系统的设计 周 期可大大缩短。
(6)联机调试 联机调试是将通过模拟调试的程序进一步进行在线统调。联机调 试过程应循序渐进,从PLC只连接输入设备、再连接输出设备、再接 上实际负载等逐步进行调试。如不符合要求,则对硬件和程序作调整。 通常只需修改部份程序即可。 全部调试完毕后,交付试运行。经过一段时间运行,如果工作正 常、程序不需要修改,应将程序固化到EPROM中,以防程序丢失。
(7)整理和编写技术文件 技术文件包括设计说明书、硬件原理图、安装接线图、电气元件 明细表、PLC程序以及使用说明书等。
(1)列写系统占用的输入、输出点及机内各软元件的分布及用途;
(2)根据控制要求列写控制操作的各种要求。对于复杂的控制系统, 绘制系统控制流程图;
(3)设计梯形图,有经验法、逻辑法、状态法,或多种方法的综合使 用;
(4)根据梯形图编制程序清单; 若使用的编程器可直接输入梯形图,则可省去此步。
(5)将程序输入到PLC的用户存储器中,并检查键入的程序是否正确; (6)对程序进行调试和修改,直到满足要求为止。
PLC的选择
随着PLC技术的发展,PLC产品的种类也越来越多。不同型号的 PLC,其结构形式、性能、容量、指令系统、编程方式、价格等也各有 不同,适用的场合也各有侧重。因此,合理选用PLC,对于提高PLC控 制系统的技术经济指标有着重要意义。
PLC的选择主要应从PLC的机型、容量、I/O模块、电源模块、特 殊功能模块、通信联网能力等方面加以综合考虑。
(1)PLC机型选择
基本原则是在满足功能要求及保证可靠、维护方便的前提下,力争 最佳的性能价格比。选择时主要考虑以下几点:
合理的结构型式
安装方式的选择 PLC主要有整体式和模块式两种结构型式。工艺稳定、环境条件好的场合 选用整体式,其他情况选用模块式 安装方式有集中式、远程I/O式以及多台PLC联网的分布式。
相应的功能要求 响应速度要求 考虑开关量控制、模拟量控制选用不同功能模块 PLC的扫描工作方式引起的延迟可达2~3个扫描周期。然而对于某些个别 场合,选用具有高速度I/O处理功能指令的PLC和中断输入模块的PLC等。
系统可靠性的要求 对可靠性要求很高的系统,应考虑是否采用冗余系统或热备用系统 机型尽量统一 便于备品备件的采购和管理;有利于技术力量的培训和技术水平的提高, 外部设备通用,资源可共享,易于联网通信。
(2)PLC容量的选择
I/O点数的选择 在满足控制要求的前提下力争使用的I/O点最少。 需要加上10%~15%的裕量。
存储容量的选择 存储容量大小不仅与PLC系统的功能有关,还与功能实现的方法、 程序编写水平有关。一个有经验的程序员和一个初学者,在完成同一 复杂功能时,其程序量可能相差25%之多。 在I/O点数确定的基础上,按下式估算存储容量后,再加20%~30 %的裕量。 存储容量(字节)=开关量I/O点数×10 + 模拟量I/O通道数 ×100 存储容量选择的同时,注意对存储器的类型的选择。
(3)I/O模块选择
1)开关量输入模块的选择
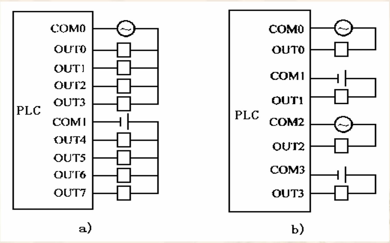
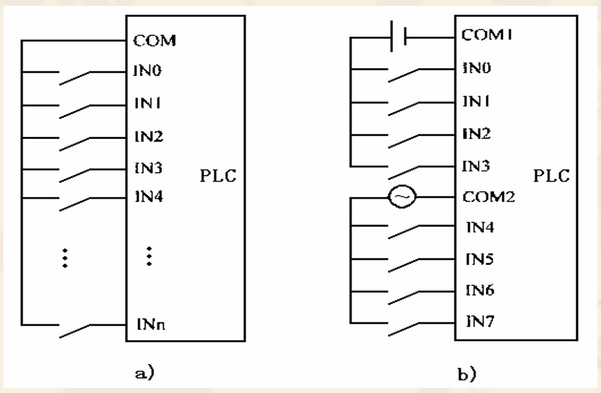
输入信号的类型 有直流输入、交流输入和交流/直流输入三种类型。选择时主要根据现 场输入信号和周围环境因素等。
直流输入模块的延迟时间较短,还可以直接与接近开关、光电开关等电 子输入设备连接;
交流输入模块可靠性好,适合于有油雾、粉尘的恶劣环境 输入信号的电压等级
开关量输入模块的电压等级有:直流5V、12V、24V、48V、60V等 ;交流110V、220V等。
选择时主要根据现场输入设备与输入模块之间的距离来考虑。 一般5V、12V、24V用于传输距离较近场合,如5V输入模块最远不 得超过10米。距离较远的应选用输入电压等级较高的。
输入接线方式 主要有汇点式和分组式两种接线方式
对于选用高密度的输入模块(如32点、48点等),应考虑该模块同时 接通的点数一般不要超过输入点数的60%。
输入门槛电平
门槛电平越高,抗干扰能力越强,传输距离也越远,具体可参阅 PLC说明书
2)开关量输出模块的选择
输出方式
开关量输出模块有继电器输出、晶闸管输出和晶体管输出三种方式
继电器输出:价格便宜,可以驱动交、直流负载,适用的电压大小 范围较宽、导通压降小,承受瞬时过电压和过电流的能力较强,但动作 速度较慢(驱动感性负载时,触点动作频率不超过1HZ)、寿命较短、 可靠性较差,只能适用于不频繁通断的场合。
对于频繁通断的负载,应该选用晶闸管输出或晶体管输出,它们属 于无触点元件。但晶闸管输出只能用于交流负载,而晶体管输出只能用 于直流负载。
输出接线方式 开关量输出模块主要有分组式和分隔式两种接线方式。
应根据实际输出设备的电流大小来选择输出模块的输出电流。如果 实际输出设备的电流较大,输出模块无法直接驱动,可增加中间放大环 节。
注意同时接通的输出点数量
同时接通输出设备的累计电流值必须小于公共端所允许通过的电流值 一般来讲,同时接通的点数不要超出同一公共端输出点数的60%
输出的最大电流与负载类型、环境温度等因素有关
与不同的负载类型密切相关,特别是输出的最大电流。晶闸管的最 大输出电流随环境温度升高会降低,在实际使用中也应注意。
3)模拟量I/O模块的选择
模拟量输入(A/D)模块是将现场由传感器检测而产生的连续的 模拟量信号转换成PLC内部可接受的数字量;
模拟量输出(D/A)模块是将PLC内部的数字量转换为模拟量信号 输出。
典型模拟量I/O模块的量程为-10V~+10V、0~+10V、4~20mA等, 可根据实际需要选用,同时还应考虑其分辨率和转换精度等因素。
一些PLC制造厂家还提供特殊模拟量输入模块,可用来直接接收低 电平信号(如RTD、热电偶等信号)
4)特殊功能模块的选择
PLC厂家相继推出了一些具有特殊功能的I/O模块,有的还推出了 自带CPU的智能型I/O模块,如高速计数器、凸轮模拟器、位置控制模 块、PID控制模块、通信模块等。
(4)电源模块及其它外设的选择
1)电源模块的选择 电源模块选择仅对于模块式结构的PLC而言,对于整体式PLC不存在电 源的选择。 电源模块的选择主要考虑电源输出额定电流和电源输入电压。
2)编程器的选择 在线编程(主机和编程器共用一个CPU),还是离线编程(主机和编程器 各有一个CPU )。对于产品定型的设备和工艺不常变动的设备,应选用离线 编程的PLC。大型PLC多采用在线编程。
3)写入器的选择 为了防止由于干扰或锂电池电压不足等原因破坏RAM中的用户程序,可 选用EPROM写入器,通过它将用户程序固化在EPROM中。有些PLC或其编 程器本身就具有EPROM 写入的功能。





粤公网安备 44010602011516号