适用日立机型:
日立RCU系列H/WHZ/WZP螺杆式冷水机组;
日立风冷涡旋式S/D系数冷水(热泵)机组;
日立风冷螺杆式冷水机组(AZP1系列);
日立离心式冷水机组;
日立空调冷水机组通讯协议说明
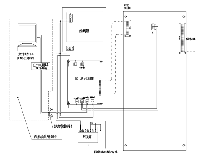
基于上位机开发_日立空调集中控制系统,采用日立工厂提供一份RS485协议的转换器的说明书,可通过串口通讯与楼宇集中控制系统进行无缝对接,内有详细的接线图、原理图、协议说明及IO点表等,在获得日立原厂工程师大力技术支持下!我们开发了日立空调机组相关的上位机通讯源码,从而实现楼宇自控集中能源统一管理。
上位机软件可以使用C#语言/ifix6.0/Intouch/组态王/MCGS等。要实现与楼宇自控DDC信息同步(比如对水泵或冷却塔与空调主机同步变频节能调速等),我们可以采用PLC自由通信协议进行通讯;如果采用计算机组态软件的话,我们可以在组态软件中写一段代码,通过RS485发送请求和应答等等,从而获得上位机远程监控空调机组!

日立空调集中控制系统监控软件界面说明
运行设备主界面(冷水机组温度、压缩机冷媒压力、压缩机运行状态、冷冻泵运行状态、冷却泵运行状态和冷却塔运行状态)
设置界面:(冷水温度设定、启动/停止)
报警界面:日立螺杆冷水机组报警代码、冷冻泵报警、冷却泵报警和冷却塔报警。
管理员操作:管理员登录及注销、操作员登录及注销、密码修改等。






粤公网安备 44010602011516号